S&G Elektrotechnik GmbH

Planung & Engineering

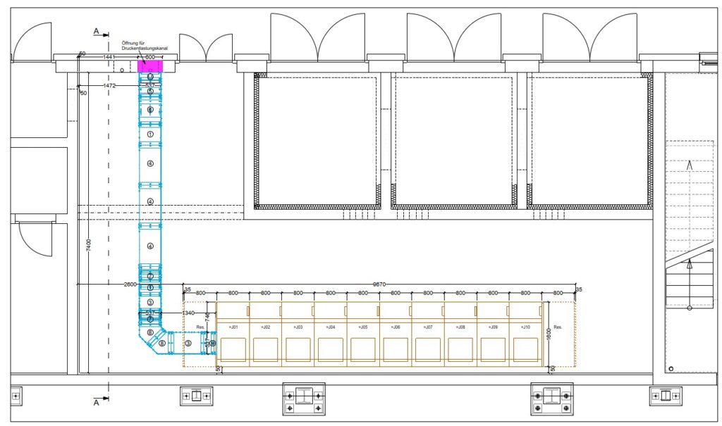
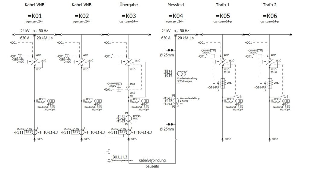
Eine fundierte Planung ist die Grundlage für sichere, wirtschaftliche und normkonforme Energieanlagen. Wir unterstützen Sie bereits in frühen Projektphasen und begleiten Ihr Vorhaben bis zur erfolgreichen Umsetzung.

Ziel ist eine technisch saubere, wirtschaftliche und zukunftssichere Lösung – abgestimmt auf Ihre Anlage und Ihren Betrieb.

Leistungsumfang:

Lassen Sie uns über ihr projekt sprechen

© 2022-2026 SG Elektrotechnik GmbH